頻率:12.000MHZ
尺寸:13.2x13.2x5.5mm
Abracon有源晶振,ACHL-12.000MHZ-EK石英晶體振蕩器,6G歐美晶振,參數表
Parameters
Minimum
Typical
Maximum
Units
Notes
Frequency Range
-----
12
MHz
Operating Temperature
0
-----
+70
°C
See options
Storage Temperature
--55
-----
+ 125
°C
Overall Frequency Stability
- 100
-----
+100
ppm
See options
Supply Voltage (Vdd)
2.97
3.3
3.63
V
Input Current
0.400MHz ~ 24.999MHz
-----
-----
20
mA
25.000MHz ~ 99.999MHz
-----
-----
40
100.000MHz ~ 16000MHz
-----
-----
80
Symmetry (@ 1/2Vdd)
40
50
60
%
See options
Rise and Fall
Time (Tr/Tf)
0.400MHz ~ 24.999MHz
-----
-----
10
ns
25.000MHz ~ 99.999MHz
-----
-----
5
100.000MHz ~ 16000MHz
-----
-----
4
Output Load
-----
-----
15
pF
See options
-----
-----
5
TTL
Output Voltage
VOH
0.9*Vdd
-----
-----
V
VOL
-----
-----
0. 1*Vdd
V
Tri-state Function
VIH
2.2
-----
-----
V
"1" or Open:
Oscillation
VIL
-----
-----
0.8
V
"0": Output disable
(Hi Z)
Output Enable time
-----
-----
4
ms
For option A only
Output Disable time
-----
-----
100
ns
For option A only
Start-up Time
-----
1
10
ms
Phase Jitter RMS ( 12~20MHz)
-----
-----
1
ps
Reference only.
Please contact Abracon for
specific frequencies
Aging
--5.0
-----
+5.0
ppm
@+25°C First year
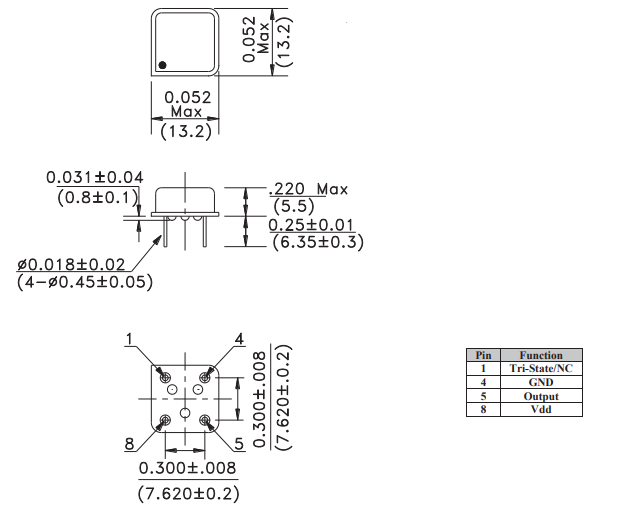
Abracon有源晶振,ACHL-12.000MHZ-EK石英晶體振蕩器,6G歐美晶振,尺寸圖
Abracon有源晶振,ACHL-12.000MHZ-EK石英晶體振蕩器,6G歐美晶振
功能:
三態啟用/禁用選項
低電源電壓5.0V 石英晶振
HCMOS和TTL兼容
應用程序:
數字芯片和微處理器的時鐘信號源
低功耗應用
| 原廠編碼 | 品牌 | 系列 | 類型 | 頻率 | 工作溫度 | 進口晶振 |
| ABM8-27.120MHZ-10-D1G-T | Abracon品牌 | ABM8 | MHz 晶體 | 27.12 MHz | -40°C ~ 85°C | 0.126" 長 x 0.098" 寬(3.20mm x 2.50mm) |
| ABL-8.000MHZ-B2 | Abracon品牌 | ABL | MHz 晶體 | 8 MHz | -20°C ~ 70°C | 0.453" 長 x 0.197" 寬(11.50mm x 5.00mm) |
| ABL-16.000MHZ-B2 | Abracon品牌 | ABL | MHz 晶體 | 16 MHz | -20°C ~ 70°C | 0.453" 長 x 0.197" 寬(11.50mm x 5.00mm) |
| ABL-4.000MHZ-B2 | Abracon品牌 | ABL | MHz 晶體 | 4 MHz | -20°C ~ 70°C | 0.453" 長 x 0.197" 寬(11.50mm x 5.00mm) |
| ABL-12.000MHZ-B2 | Abracon品牌 | ABL | MHz 晶體 | 12 MHz | -20°C ~ 70°C | 0.453" 長 x 0.197" 寬(11.50mm x 5.00mm) |
| ABL-20.000MHZ-B2 | Abracon品牌 | ABL | MHz 晶體 | 20 MHz | -20°C ~ 70°C | 0.453" 長 x 0.197" 寬(11.50mm x 5.00mm) |
| ABL-12.288MHZ-B2 | Abracon品牌 | ABL | MHz 晶體 | 12.288 MHz | -20°C ~ 70°C | 0.453" 長 x 0.197" 寬(11.50mm x 5.00mm) |
| ABL-3.579545MHZ-B2 | Abracon品牌 | ABL | MHz 晶體 | 3.579545 MHz | -20°C ~ 70°C | 0.453" 長 x 0.197" 寬(11.50mm x 5.00mm) |
| ABL-11.0592MHZ-B2 | Abracon品牌 | ABL | MHz 晶體 | 11.0592 MHz | -20°C ~ 70°C | 0.453" 長 x 0.197" 寬(11.50mm x 5.00mm) |
| ABL-6.000MHZ-B2 | Abracon品牌 | ABL | MHz 晶體 | 6 MHz | -20°C ~ 70°C | 0.453" 長 x 0.197" 寬(11.50mm x 5.00mm) |
| ABL-7.3728MHZ-B2 | Abracon品牌 | ABL | MHz 晶體 | 7.3728 MHz | -20°C ~ 70°C | 0.453" 長 x 0.197" 寬(11.50mm x 5.00mm) |
| ABL-24.000MHZ-B2 | Abracon品牌 | ABL | MHz 晶體 | 24 MHz | -20°C ~ 70°C | 0.453" 長 x 0.197" 寬(11.50mm x 5.00mm) |
| ABL-10.000MHZ-B2 | Abracon品牌 | ABL | MHz 晶體 | 10 MHz | -20°C ~ 70°C | 0.453" 長 x 0.197" 寬(11.50mm x 5.00mm) |
| ABL-4.9152MHZ-B2 | Abracon品牌 | ABL | MHz 晶體 | 4.9152 MHz | -20°C ~ 70°C | 0.453" 長 x 0.197" 寬(11.50mm x 5.00mm) |
| AB308-6.000MHZ | Abracon品牌 | AB308 | MHz 晶體 | 6 MHz | -10°C ~ 60°C | 0.118" 直徑 x 0.315" 長(3.00mm x 8.00mm) |
| AB308-7.3728MHZ | Abracon品牌 | AB308 | MHz 晶體 | 7.3728 MHz | -10°C ~ 60°C | 0.118" 直徑 x 0.315" 長(3.00mm x 8.00mm) |
| AB-1.8432MHZ-B2 | Abracon品牌 | AB | MHz 晶體 | 1.8432 MHz | -20°C ~ 70°C | 0.453" 長 x 0.197" 寬(11.50mm x 5.00mm) |
| ABL-3.6864MHZ-B2 | Abracon品牌 | ABL | MHz 晶體 | 3.6864 MHz | -20°C ~ 70°C | 0.453" 長 x 0.197" 寬(11.50mm x 5.00mm) |
| ABL-9.8304MHZ-B2 | Abracon品牌 | ABL | MHz 晶體 | 9.8304 MHz | -20°C ~ 70°C | 0.453" 長 x 0.197" 寬(11.50mm x 5.00mm) |
| AB-4.000MHZ-B2 | Abracon品牌 | AB | MHz 晶體 | 4 MHz | -20°C ~ 70°C | 0.453" 長 x 0.197" 寬(11.50mm x 5.00mm) |
| ABLS-12.000MHZ-20-B-3-H-T | Abracon品牌 | ABLS | MHz 晶體 | 12 MHz | -20°C ~ 70°C | 0.449" 長 x 0.185" 寬(11.40mm x 4.70mm) |
| ABLS-20.000MHZ-B-4-Y-T | Abracon品牌 | ABLS | MHz 晶體 | 20 MHz | -20°C ~ 70°C | 0.449" 長 x 0.185" 寬(11.40mm x 4.70mm) |
| ABLS-20.000MHZ-20-B-3-H-T | Abracon品牌 | ABLS | MHz 晶體 | 20 MHz | -20°C ~ 70°C | 0.449" 長 x 0.185" 寬(11.40mm x 4.70mm) |
| ABLS-3.579545MHZ-D-3-Y-T | Abracon品牌 | ABLS | MHz 晶體 | 3.579545 MHz | -40°C ~ 85°C | 0.449" 長 x 0.185" 寬(11.40mm x 4.70mm) |
| ABLS-3.6864MHZ-20-B-3-H-T | Abracon品牌 | ABLS | MHz 晶體 | 3.6864 MHz | -20°C ~ 70°C | 0.449" 長 x 0.185" 寬(11.40mm x 4.70mm) |
| ABLS7M-16.000MHZ-B-2-T | Abracon品牌 | ABLS7M | MHz 晶體 | 16 MHz | -20°C ~ 70°C | 0.276" 長 x 0.161" 寬(7.00mm x 4.10mm) |
| ABLS-14.7456MHZ-20-B-4-Y-T | Abracon品牌 | ABLS | MHz 晶體 | 14.7456 MHz | -20°C ~ 70°C | 0.449" 長 x 0.185" 寬(11.40mm x 4.70mm) |
| ABLS-25.000MHZ-B4-F-T | Abracon品牌 | ABLS | MHz 晶體 | 25 MHz | -20°C ~ 70°C | 0.449" 長 x 0.185" 寬(11.40mm x 4.70mm) |
| ABLS-8.000MHZ-B4-T | Abracon品牌 | ABLS | MHz 晶體 | 8 MHz | -20°C ~ 70°C | 0.449" 長 x 0.185" 寬(11.40mm x 4.70mm) |
| ABLS-4.000MHZ-B4-T | Abracon品牌 | ABLS | MHz 晶體 | 4 MHz | -20°C ~ 70°C | 0.449" 長 x 0.185" 寬(11.40mm x 4.70mm) |
| ABLS-16.000MHZ-B4-T | Abracon品牌 | ABLS | MHz 晶體 | 16 MHz | -20°C ~ 70°C | 0.449" 長 x 0.185" 寬(11.40mm x 4.70mm) |
| ABLS-12.000MHZ-B4-T | Abracon品牌 | ABLS | MHz 晶體 | 12 MHz | -20°C ~ 70°C | 0.449" 長 x 0.185" 寬(11.40mm x 4.70mm) |
| ABLS-3.6864MHZ-B4-T | Abracon品牌 | ABLS | MHz 晶體 | 3.6864 MHz | -20°C ~ 70°C | 0.449" 長 x 0.185" 寬(11.40mm x 4.70mm) |
| ABLS-10.000MHZ-B4-T | Abracon品牌 | ABLS | MHz 晶體 | 10 MHz | -20°C ~ 70°C | 0.449" 長 x 0.185" 寬(11.40mm x 4.70mm) |
| ABLS-3.579545MHZ-B4-T | Abracon品牌 | ABLS | MHz 晶體 | 3.579545 MHz | -20°C ~ 70°C | 0.449" 長 x 0.185" 寬(11.40mm x 4.70mm) |
| ABLS-4.9152MHZ-B4-T | Abracon晶振 | ABLS | MHz 晶體 | 4.9152 MHz | -20°C ~ 70°C | 0.449" 長 x 0.185" 寬(11.40mm x 4.70mm) |
| ABLS-6.000MHZ-B4-T | Abracon品牌 | ABLS | MHz 晶體 | 6 MHz | -20°C ~ 70°C | 0.449" 長 x 0.185" 寬(11.40mm x 4.70mm) |
| ABLS-24.000MHZ-B4-T | Abracon品牌 | ABLS | MHz 晶體 | 24 MHz | -20°C ~ 70°C | 0.449" 長 x 0.185" 寬(11.40mm x 4.70mm) |
| ABLS-7.3728MHZ-B4-T | Abracon品牌 | ABLS | MHz 晶體 | 7.3728 MHz | -20°C ~ 70°C | 0.449" 長 x 0.185" 寬(11.40mm x 4.70mm) |
| ABLS-16.384MHZ-B4-T | Abracon品牌 | ABLS | MHz 晶體 | 16.384 MHz | -20°C ~ 70°C | 0.449" 長 x 0.185" 寬(11.40mm x 4.70mm) |
| ABLS-14.7456MHZ-B4-T | Abracon品牌 | ABLS | MHz 晶體 | 14.7456 MHz | -20°C ~ 70°C | 0.449" 長 x 0.185" 寬(11.40mm x 4.70mm) |
| ABLS-5.000MHZ-B4-T | Abracon品牌 | ABLS | MHz 晶體 | 5 MHz | -20°C ~ 70°C | 0.449" 長 x 0.185" 寬(11.40mm x 4.70mm) |
| ABLS-11.0592MHZ-B4-T | Abracon品牌 | ABLS | MHz 晶體 | 11.0592 MHz | -20°C ~ 70°C | 0.449" 長 x 0.185" 寬(11.40mm x 4.70mm) |
| ABLS-28.63636MHZ-B4-F-T | Abracon品牌 | ABLS | MHz 晶體 | 28.63636 MHz | -20°C ~ 70°C | 0.449" 長 x 0.185" 寬(11.40mm x 4.70mm) |
| ABLS-20.000MHZ-B4-T | Abracon品牌 | ABLS | MHz 晶體 | 20 MHz | -20°C ~ 70°C | 0.449" 長 x 0.185" 寬(11.40mm x 4.70mm) |
| ABLS-4.194304MHZ-B4-T | Abracon品牌 | ABLS | MHz 晶體 | 4.194304 MHz | -20°C ~ 70°C | 0.449" 長 x 0.185" 寬(11.40mm x 4.70mm) |
| ABLS7M2-18.432MHZ-D2Y-T | Abracon品牌 | ABLS7M2 | MHz 晶體 | 18.432 MHz | -40°C ~ 85°C | 0.276" 長 x 0.161" 寬(7.00mm x 4.10mm) |
| ABLS7M2-16.000MHZ-D2Y-T | Abracon品牌 | ABLS7M2 | MHz 晶體 | 16 MHz | -40°C ~ 85°C | 0.276" 長 x 0.161" 寬(7.00mm x 4.10mm) |
| ABLS7M2-24.000MHZ-D2Y-T | Abracon品牌 | ABLS7M2 | MHz 晶體 | 24 MHz | -40°C ~ 85°C | 0.276" 長 x 0.161" 寬(7.00mm x 4.10mm) |
| ABLS7M2-12.000MHZ-D2Y-T | Abracon品牌 | ABLS7M2 | MHz 晶體 | 12 MHz | -40°C ~ 85°C | 0.276" 長 x 0.161" 寬(7.00mm x 4.10mm) |
| ABLS7M2-20.000MHZ-D2Y-T | Abracon品牌 | ABLS7M2 | MHz 晶體 | 20 MHz | -40°C ~ 85°C | 0.276" 長 x 0.161" 寬(7.00mm x 4.10mm) |
| ABLS7M2-25.000MHZ-D2Y-T | Abracon品牌 | ABLS7M2 | MHz 晶體 | 25 MHz | -40°C ~ 85°C | 0.276" 長 x 0.161" 寬(7.00mm x 4.10mm) |
| ABLS-18.432MHZ-B-4-Y-T | Abracon品牌 | ABLS | MHz 晶體 | 18.432 MHz | -20°C ~ 70°C | 0.449" 長 x 0.185" 寬(11.40mm x 4.70mm) |
| ABLS-11.0592MHZ-20-B-4-H-T | Abracon品牌 | ABLS | MHz 晶體 | 11.0592 MHz | -20°C ~ 70°C | 0.449" 長 x 0.185" 寬(11.40mm x 4.70mm) |
| ABLS-8.000MHZ-20-B-3-H-T | Abracon品牌 | ABLS | MHz 晶體 | 8 MHz | -20°C ~ 70°C | 0.449" 長 x 0.185" 寬(11.40mm x 4.70mm) |
| ABLS-18.432MHZ-20-B-3-H-T | Abracon品牌 | ABLS | MHz 晶體 | 18.432 MHz | -20°C ~ 70°C | 0.449" 長 x 0.185" 寬(11.40mm x 4.70mm) |
| ABLS-7.3728MHZ-20-B-3-H-T | Abracon品牌 | ABLS | MHz 晶體 | 7.3728 MHz | -20°C ~ 70°C | 0.449" 長 x 0.185" 寬(11.40mm x 4.70mm) |


